全国服务热线:400 8861 308
当前位置:首 页 > 市场活动 > 行业动态
  市场活动:
新品发布
行业动态
公司新闻
技术支持
展会活动
品牌活动
五金件喷涂

是一种对五金制品进行表面涂层处理的工艺。喷漆能够提供保护五金件免受氧化、腐蚀和磨损的影响,同时也能够美化产品外观,增加其质感和价值。

需要注意的是,五金件喷漆过程中需要严格控制涂料的质量和施工环境,以确保涂层的质量和均匀性。同时,还要遵循环保要求,采用符合环保标准的涂料和工艺,减少对环境的污染。




五金件制造厂家在生产时,使用低挥发性有机化合物(VOC)含量低的涂料,采用环保雾化技术的喷涂设备和精确的涂料控制技术,可以提高涂料利用率和作业效率,减少漆雾飞散,减少废料的产生,减少资源的消耗,降低废弃物对环境的污染




冠品为您提供丰富的产品种类,不同的喷涂技术供你选择!




静电喷涂

静电喷涂是利用“静电环抱”物理现象的一种喷涂方式。

带高压静电的喷枪电极针和接地的物体间存在一个静电场,当涂料经静电喷枪喷出,涂料在被雾化的同时,带上了静电荷,这种带电荷的涂料微粒在静电场力的作用下,会更大比例地到达接地工件,而不会偏离目标体或被周围气流带走。



因而提高了静电喷涂的传递效率,帮助您更大程度地节省成本,环保喷涂,满足您不断变化的生产需求。




喷涂案例说明


本次应用案例是客户对金属五金件喷涂
采用机器人搭载自动空气静电喷枪喷涂水性油漆,黏度为4号杯、26秒。减少涂料浪费,同时减轻环保压力,提高产能,以获得优良的涂装品质和极高的涂装效率。

根据客户的喷涂需求,冠品专业技术人员根据客户要求,为客户定制全套解决方案。

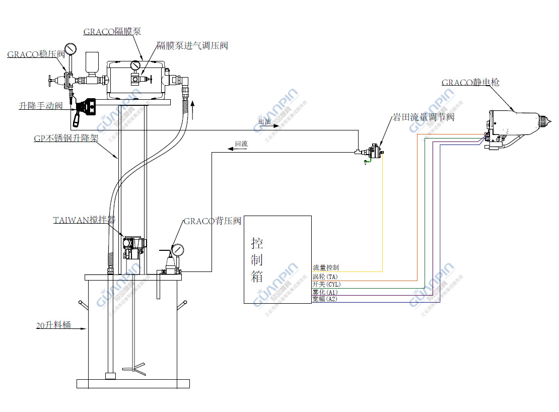
配置产品明细:
美国GRACO固瑞克1:1气动隔膜泵
Pro Xp Auto自动静电喷枪
涂料调压器
涂料管
空气管
气动搅拌器
供料集成架
自动静电喷枪智能喷控



配置图



视频案例



视频采用Triton 308气动隔膜泵稳定输送油漆涂料搭配ProXpAuto自动静电喷枪进行喷涂金属五金件。

静电喷涂过程中静电电压稳定,漆膜均匀,静电喷涂油漆包覆性好,能够有效地节约材料成本,适应环保政策,提高产能。输送泵与喷枪的优化可以确保喷涂时流体压力的一致性,从而保证漆膜质量的稳定性,喷涂均匀、光滑的涂层,提高产品的外观质量喷涂效率





喷涂设备

点击下方图片,即可查看具体详情参数。



我们为五金件制造提供量身定制的喷涂解决方案和全程支持,涵盖从喷涂泵、计量系统到喷枪的全套设备。无论您需要单组份还是双组份材料,无论流量大小还是粘度多样性,我们都能满足您的喷涂需求。




专业的喷涂设备服务商,全心全意为您服务。

我们可为您提供


定制化配置,满足您的需求

线上及线下培训

帮助您开发和测试

技术支持




涂装所在,冠品无处不在


      冠品中国专注喷涂领域已经超过20年,始终秉持着一个明确的目标:引进国际一流品质的产品,助力制造业实现节能、高效和环保的目标,并减少涂料和溶剂的消耗以及VOC排放。


为了实现这一目标,我们与多个国际顶级品牌建立了合作关系,成为GRACO固瑞克、ANEST IWATA岩田、DEVILBISS戴维比斯、Ransburg兰氏静电、BINKS宾克斯、timmer钛姆勒、DYNABRADE丹纳布雷、HOSCO等品牌的授权一级代理商。



作为一家专攻喷涂技术已经超过20+年的公司,冠品致力于为各行各业提供世界领先的工业产品、涂装技术和服务。我们的专业团队可以为您提供从简单的喷涂工具到复杂的自动化、智能化定制解决方案


更多信息关注官网:www.guanpin.cn
电话:4008861308

上一个:冠品涂装-瓦楞纸行业流体输送解决方案

下一个:五金工具亟待塑造品牌核心价值


相关文章:
冠品涂装-瓦楞纸行业流体输送解决方案
冠品涂装-手动无气喷涂货运火车箱体应用
冠品涂装-钢结构静电喷涂应用解决方案
冠品涂装-整套输送&喷涂设备解决方案
冠品涂装-大巴车桥手动辅气喷涂应用
企业QQ咨询
全国服务热线
400-8861-308
业务咨询
0755-27711707
0755-27719549

产品+服务


从需求到落地

世界品牌产品集成营销
涂装方案服务为一体

全国服务热线

400 8861 308

深圳网络警察报警平台深圳网络警
察报警平台

公共信息安全网络监察公共信息安
全网络监察

经营性网站备案信息经营性网站
备案信息

诚信网站

深圳市市场监督管理局企业主体身份公示工商网监
电子标识